|  |
 |
名称 NAME:45度螺纹弯头 45°
THREADED ELBOW
材质 MATERIAL:A105.A420-WPL6.A234-WP5,A234-WP9,A234-WP11,A234-WP12,A234-WP91.A403-WP304.A403-WP304L.A403-WP316.A403-WP316L,A694-F42,A694-46,A694-F48,A694-F50,A694-F52,A694-F56,A694-F60,A694-F70,A694-F80
尺寸 SIZE:1/8"-3",DN6-DN80
PRESSURE:3000LB,Sch80
STANDARDS: ISO, ANSI. JIS . DIN GB/T14383,GB/T14626,ASME
B16.11,
SH3409,HGJ10,HGJ529,MSS SP-43,MSS SP-83,MSS SP-97
USE: Petroleum, chemical, power, gas, metallurgy,
shipbuilding, etc. |
45°
THREADED ELBOW |
产品结构示意图
PRODUCT CONSTRUCTION |
|
|
| |
|
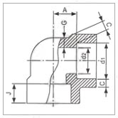
名称 NAME:90度螺纹弯头 90°
THREADED ELBOW
材质 MATERIAL:A105.A420-WPL6.A234-WP5,A234-WP9,A234-WP11,A234-WP12,A234-WP91.A403-WP304.A403-WP304L.A403-WP316.A403-WP316L,A694-F42,A694-46,A694-F48,A694-F50,A694-F52,A694-F56,A694-F60,A694-F70,A694-F80
尺寸 SIZE:1/8"-3",DN6-DN80
PRESSURE:3000LB,Sch80
STANDARDS: ISO, ANSI. JIS . DIN GB/T14383,GB/T14626,ASME
B16.11,
SH3409,HGJ10,HGJ529,MSS SP-43,MSS SP-83,MSS SP-97
USE: Petroleum, chemical, power, gas, metallurgy, shipbuilding,
etc. |
| 90°
THREADED ELBOW |
产品结构示意图
PRODUCT CONSTRUCTION |
|
|
|
|
|
Nominal pipe size DN |
Center to End |
Outside Diameter
D
|
Wall Thickness
|
Length of Thread(min) |
|
A |
D |
Cmin |
| 90o45oTHREADED
ELBOW |
|
A |
B(in) |
2000LB |
3000LB |
6000LB |
2000LB |
3000LB |
6000LB |
2000LB |
3000LB |
6000LB |
NPT |
Rc |
|
Sch80 |
Sch160 |
XXS |
Sch80 |
Sch160 |
XXS |
Sch80 |
Sch160 |
XXS |
|
6 |
1/8 |
21 |
21 |
25 |
22 |
22 |
25 |
3.0 |
3.0 |
6.5 |
6.5 |
6.5 |
|
8 |
1/4 |
21 |
25 |
29 |
22 |
25 |
33 |
3.0 |
3.5 |
6.5 |
8.0 |
10.0 |
|
10 |
3/8 |
25 |
29 |
33 |
25 |
33 |
38 |
3.0 |
3.5 |
7.0 |
9.0 |
10.5 |
|
15 |
1/2 |
29 |
33 |
38 |
33 |
38 |
46 |
3.0 |
4.0 |
8.0 |
11.0 |
13.5 |
|
20 |
3/4 |
33 |
38 |
44 |
38 |
46 |
56 |
3.0 |
4.5 |
8.5 |
12.5 |
14.0 |
|
25 |
1 |
38 |
44 |
51 |
46 |
56 |
62 |
3.5 |
5.0 |
10.0 |
14.5 |
17.5 |
|
32 |
11/4 |
44 |
51 |
60 |
56 |
62 |
75 |
4.0 |
5.5 |
10.0 |
17.0 |
18.0 |
|
40 |
11/2 |
51 |
60 |
64 |
62 |
75 |
84 |
4.0 |
5.5 |
11.0 |
18.0 |
18.5 |
|
50 |
2 |
60 |
64 |
83 |
75 |
84 |
102 |
4.5 |
7.0 |
12.0 |
19.0 |
19.0 |
|
65 |
21/2 |
76 |
83 |
95 |
92 |
102 |
121 |
5.5 |
7.5 |
15.5 |
23.5 |
29.0 |
|
80 |
3 |
86 |
96 |
106 |
110 |
121 |
146 |
6.0 |
9.0 |
16.5 |
26.0 |
30.0 |
|
100 |
4 |
106 |
114 |
114 |
146 |
152 |
152 |
6.5 |
11.0 |
18.5 |
27.5 |
33.0 |
|
|