|  |
 |
名称
NAME:锻制承插焊单承口管箍 FORGED HALF-COUPLING
材质 MATERIAL:A105.A420-WPL6.A234-WP5,A234-WP9,A234-WP11,A234-WP12,A234-WP91.A403-WP304.A403-WP304L.A403-WP316.A403-WP316L,A694-F42,A694-46,A694-F48,A694-F50,A694-F52,A694-F56,A694-F60,A694-F70,A694-F80
尺寸 SIZE:1/8"-3",DN6-DN80
PRESSURE:3000LB,Sch80
STANDARDS: ISO, ANSI. JIS . DIN GB/T14383,GB/T14626,ASME
B16.11,
SH3409,HGJ10,HGJ529,MSS SP-43,MSS SP-83,MSS SP-97
USE: Petroleum, chemical, power, gas, metallurgy, shipbuilding,
etc. |
| HALF-COUPLING |
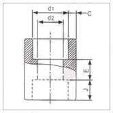
产品结构示意图该
PRODUCT CONSTRUCTION |
|
|
| |
|
名称
NAME:锻制承插焊双承口管箍 FORGED
COUPLING
材质 MATERIAL:A105.A420-WPL6.A234-WP5,A234-WP9,A234-WP11,A234-WP12,A234-WP91.A403-WP304.A403-WP304L.A403-WP316.A403-WP316L,A694-F42,A694-46,A694-F48,A694-F50,A694-F52,A694-F56,A694-F60,A694-F70,A694-F80
尺寸 SIZE:1/8"-3",DN6-DN80
PRESSURE:3000LB,Sch80
STANDARDS: ISO, ANSI. JIS . DIN GB/T14383,GB/T14626,ASME
B16.11,
SH3409,HGJ10,HGJ529,MSS SP-43,MSS SP-83,MSS SP-97
USE: Petroleum, chemical, power, gas, metallurgy, shipbuilding,
etc. |
| COUPLING |
产品结构示意图该
PRODUCT CONSTRUCTION |
|
|
| |
|
Nominal Pipe
Size |
Depth of Socket |
Dimension of Socket |
Wall Thickness |
|
|
Laying
length |
|
Cmin |
Coupling |
Half-coupling |
|
DN |
NPS |
Jmin |
d1 |
3000LB
Sch80 |
6000LB
Sch160 |
9000LB
XXS |
E |
F |
|
6 |
1/8 |
10 |
10.7 |
3.2 |
3.5 |
- |
6 |
16 |
|
8 |
1/4 |
10 |
14.1 |
3.3 |
4.0 |
- |
6 |
16 |
|
10 |
3/8 |
10 |
17.5 |
3.5 |
4.4 |
- |
6 |
18 |
|
15 |
1/2 |
10 |
21.8 |
4.1 |
5.2 |
8.2 |
10 |
22 |
|
20 |
3/4 |
13 |
27.4 |
4.3 |
6.1 |
8.6 |
10 |
24 |
|
25 |
1 |
13 |
34.2 |
5.0 |
7.0 |
10.0 |
13 |
29 |
|
32 |
11/4 |
13 |
42.9 |
5.3 |
7.0 |
10.6 |
13 |
30 |
|
40 |
11/2 |
13 |
48.3 |
5.6 |
7.8 |
11.2 |
13 |
32 |
|
50 |
2 |
13 |
61.1 |
6.1 |
9.5 |
12.2 |
19 |
41 |
|
65 |
21/2 |
16 |
76.9(73.8) |
7.7 |
12.5 |
- |
19 |
43 |
|
80 |
3 |
16 |
89.8 |
8.3 |
13.8 |
- |
19 |
45 |
|
100 |
4 |
19 |
115.5 |
9.4 |
- |
- |
19 |
48 |
|
|