|
 |
 |
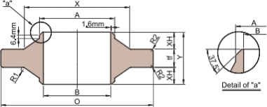
名称
NAME: 锚固法兰 Anchor Flanges
材质 MATERIAL:A105,A694 F42 F52 F56 F60 F65 F70 F80
A350 LF2 LF5 LF9 LF11
尺寸
SIZE:1/2"-48",DN15-DN1200
压力 PRESSURE:Class
150,300,600,900,1500,2500
标准
STANDARDS:MSS SP-44,ANSI
B16.5
应用
USE: Petroleum, chemical, power, gas, metallurgy, shipbuilding,
construction, etc. |